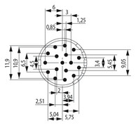
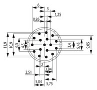
Marke: WEIDMÜLLER
Produktgruppe: Kontakteinsatz für Rundsteckverbinder
WEIDMÜLLER
WEIDMÜLLER
Ihr Suchergebnis besteht aus diesen 117 Artikeln (kann ähnliche Treffer enthalten)…
Ihr Suchergebnis besteht aus diesen 117 Artikeln (kann ähnliche Treffer enthalten)…